60V Valve PSU
By Nick Strong, G0CWA

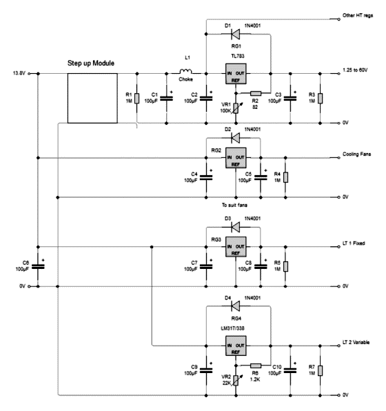
Hi me again here is another of my projects, yes Dave I am writing it up for you so stop twisting my arm I’m enjoying it too much! For convenience my version is run off a standard 13.8V radio power supply the HT being generated by a 60V switched mode voltage multiplier unit bought off E-Bay for around £10
I do not intend to include a detailed circuit diagram as all the circuit bits are available in the data sheets on line at alldatasheet.com.
The final power supply can be tailored to suit your needs for example mine has 4 adjustable HT outputs of 1.25 to 60V set by separate TL783 adjustable voltage regulators and four preset LT supplies 13.8, 12, 6 and 1.5v. The choice is yours.
It is also a good idea to include a simple switchable DVM for setting up the variable voltage rails, I also included a set of terminals to measure voltages on the circuit being run by the supply to save cluttering up the workbench with a separate multi-meter. This allows your hand held meter to be used elsewhere e.g. measuring currents.
I include a simple block diagram rather than a detailed one as there are too many combinations to cover.
The circuit can also be powered by a series of appropriate transformers bridges and smoothing capacitors but why build one that would be so heavy and include a free sprained back to move it! I did however find that the switched mode module needed some extra filtering/smoothing on its output to eliminate the inherent noise from this type of supply.
My design is included to hopefully suggest constructional ideas rather than a blue-print for building your own version. Little things like the use of computer fan cooled CPU heat sinks for the regulators. Mine were from old Celeron processors.
The voltage options are listed below in the table just select the ones you need, NOTE THESE ARE TYPICAL VALUES check the specification for the actual device you intend to use.

The above values will vary depending on manufacturer, device version etc but most need a minimum of 2 to 3 volts across them to function correctly as regulators, just follow the example circuits on the data sheets.
HOWEVER please note that all the 0V (ground) connections are linked. The only valves that this tends to cause problems with are the 1.5V miniature ones where for simplicity of construction a 1.5V C or D cell could also be included to power them.
Sorry for such a brief write up this time the idea was to present a simple easily customisable modular valve PSU.
The key search phrases I used on ebay for the module were Variable power supply, Voltage up and Step up.
73 and bye for now Nick G0CWA







