Ralf Siemieniec's 5 Band Crystal Radio
Deutsche Text

My second 'serious' receiver is the result of some more in-depth research with the problem 'crystal radio'. In some sense it is a mixture of the work of Ben Tongue and Berthold Bosch with own experiments. For being able to receive stations also throughout the day, I wanted it to tune the shortwave bands. As consequence, I decided to split the shortwave and mediumwave bands into two subbands. The lower shortwave range also covers the upper two tropical bands -- I was not sure if I will be able to receive any station in these bands, meanwhile I know it is possible.
This crystal radio tunes the mediumwave (broadcast) band as well as the shortwave band, both split into two subbands, and the longwave band (148.5 kHz – 283.5 kHz in Europe).
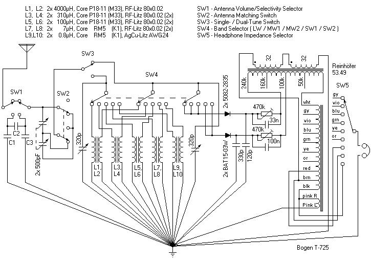
To keep the receiver small, I was using closed ferrite cores (potcores) from Epcos, P18-11-M33 for the MW & LW bands and RM5-K1 for the SW bands. The coils are all done using litz wires 80 x 0.02 mm (two wires in parallel for MW and SW1) and two paralled litz wires of silver-plated copper strands for SW2. Actually, this is the same wire as I used for the wiring, the insulation of the silver-plated litz wire is made of PTFE, which should not cause too much losses (as I hope). The antenna and detector coils are each wound on a separate core which were later sticked together.
The radio has two tuned circuits and a variable antenna coupling and can be switched between single- and double-tuned mode. Additionally, there is an attenuator in case of need, the variable antenna coupling capacitor is a two-ganged type and can be switched in series or parallel. The antenna and detector tuning caps are both silver-plated devices. Rectification is done using two paralleled 5082-2835 for the BC band and again two paralleled BAT15-03W for the SW band. The matching section consists of two transformers - a 53.49 by Reinhöfer Röhrentechnik in Germany (input impedance 240k) switched together with a Bogen T-725. At the time of building I managed to get a pair of Baldwin Type C headphones which are much more sensitive than all of my modern but more comfortable types.
All is mounted at a polypropylene sheet for proper insulation. One of the most distant stations received so far was coming from Tunesia and United Kingdom, both more than 1400 km away. Could probably be more if I had another antenna than the metal made balustrade of my balcony - I live in a multi-party house, thus there is not much chance for long antenna wires.
During some DX contests, I got 98 different mediumwave stations within just three days. Checking the shortwave bands, I received an amazing number of 82 different stations within two weeks. At the longwave band, I found 9 stations so far with app. 900 km maximum distance.
It is amazing, how many stations actually can be heard with such a receiver type.
Mein zweites Gerät ist das Ergebnis intensiverer Beschäftigung mit dem 'Problem' Detektorempfänger. In gewisser Hinsicht ist der Empfänger eine Kreuzung von Arbeiten von Ben Tongue und Berthold Bosch und etlichen eigenen Versuchen. Damit ich auch tagsüber etwas zu hören bekomme, sollte der Detektor auch Kurzwelle beherrschen - allein dadurch erschien eine Aufteilung auf mehrere Frequenzbereiche als sinnvoll. Letztendlich habe ich Mittelwelle und Kurzwelle auf jeweils zwei Teilbänder verteilt, wobei das erste Kurzwellenband auch die oberen beiden Tropenbänder abdeckt. Etwas später nach Verfügbarkeit eines geeigneten Schalters folgte dann noch die Langwelle.
Da ich eine Abneigung gegen offene Aufbauten hege und noch ein halbwegs kompaktes Radio haben wollte, waren Luftspulen keine Option. Letztendlich habe ich mich für Schalenkerne P18-11 für MW sowie LW und RM5 für KW entschieden. Die Gleichrichtung übernehmen je zwei parallele 5082-2835 für MW/LW und zwei BAT15-03W für KW. Der Detektor ist wahlweise als Ein- oder Zweikreiser betreibbar, im Eingang sitzt noch ein bei Bedarf nutzbares Dämpfungsglied. Der doppelte Drehkondensator zur Antennenanpassung ist wahlweise in Reihe oder parallel geschaltet betreibbar. Die Drehkos im Antennenkreis und Detektorkreis sind zwei glücklich ersteigerte Exemplare mit versilberten Platten, als Kopfhörer benutze ich hier ein weiteres Versteigerungs-Fundstück in Form eines uralten Baldwin Typ C mit für mich erstmal erstaunlicher Empfindlichkeit. Für die Anpassung an unterschiedliche Kopfhörer sorgen zwei zusammengeschaltete Trafos, ein 53.49 mit einer Eingangsimpedanz von 240 kOhm und ein Bogen T-725 für Ausgangsimpedanzen von 8 Ohm bis zu etlichen Kiloohm. Der Aufbau erfolgte auf einer PP-Grundplatte, die Drehkos sind isoliert montiert und die Achsen über eine kurze Plastikwelle zu den Feintrieben geführt.
Insgesamt hat sich der nicht ganz unerhebliche Aufwand durchaus gelohnt, Entfernungen auf MW wie z.B. Radio Tunis mit 1420 km scheinen noch nicht die endgültige Grenze zu sein. Innerhalb von DX-Contests konnte ich innerhalb von drei Tagen immerhin 98 verschiedene MW-Stationen reinbekommen, bei Kurzwelle waren es für mich erstaunliche 82 Stationen in knapp zwei Wochen. Auf Langwelle waren bisher 9 verschiedene Stationen hörbar.
Ich bin immer wieder überrascht, wie viele Sender sich mit dieser Art Radios letztlich doch empfangen läßt.





