Ralf Siemieniec's MOSFET Crystal Radio
Deutsche Text

This radio was my first crystal radio after about 20 years. The last device of it's kind was made as I still was a child. Anyway I have to say that I first made a number of tests which is probably inevitable.
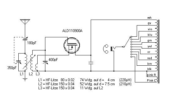
In my radio, I used a more modern zero-voltage MOSFET instead of a diode. This kind of device, having a threshold voltage of zero is a really fascinating device, at least from the point of view of a device engineer. In the crystal radio, the MOSFET works as a kind of synchronous rectifier. The detector circuit sees only the relatively small gate capacitance of about 5pF, which should improve Q of the tank circuit and consequently selectivity and sensitivity. Of course there is still energy taken from the tank, here it is done by the coupling coil. The signal is rectified by the MOSFET and feed into the well-known Bogen T-725 transformer for impedance matching. Although the Bogen transformer does not show a really large input impedance one should not forget that the transformer is connected with the coupling coil only and that there is some impedance transforming from the coupling coil to the tank coil in accordance with the ratio of windings which makes things better. In difference to the usual diode, there seems to be less audio distortion. This might have it's reason by the fact, that the MOS channel acts as an gate-voltage controlled resistor. Anyway, in case of strong signals distortions are back again since the transistor reaches it's saturation region. Within a certain limit the receiver offers the possibility to reduce the signal strength by the variocoupler.
One disadvantage of the MOSFET is the sensitivity towards electrostatic charges which may easily blow the gate oxide and thus destroy the transistor. Keeping this in mind it does not seem to be a good idea to connect the gate directly or via a capacitor with the antenna. Furthermore a double-tuned circuit offers better selectivity, thus having already two reasons for making a double-tuned receiver. First I used a simple series tuned antenna circuit, but after finding a small two-ganged variable capacitor I switched to a Tuggle-type front end.
The coil of the detector tank is wound on a PP pipe with a diameter of 75mm, as wire a litz 150 x 0.04mm is used. Before I used two litz wires in parallel, but the therefore shortened distance between antenna and detector tank coil counterbalanced the advantage of having a better Q. The antenna tank coil is wound on a smaller PP pipe of a diameter of 40mm. Since the length of the coil was limited I used a litz wire of 80 x 0.02mm. Having the two coils and some plastic screws and distance-keeping pieces, the variocoupler was ready for use. All parts of the crystal radio were mounted on a sheet of PP.
The performance of this little radio is quite good, sometimes the received stations begin to be too loud in the evening and night hours. Although I use the metal balustrade of my balcony as antenna, which is not perfect at all for sure, I do receive a number of stations having a distance of larger than 1000km. Examples are Radio Tunis from Northern Africa, BBC World from UK or ERA Sport from Greece, but I have to add that I have to use my Balanced Armature phones, which are either Baldwin Type C or much more comfortable Dynalec phones using USIC elements. During the day things are really bad, there is usually just one station. With a distance of 76km, Radio Slovenia is not really a local, but anyway sufficient strong for being heard. My little world receiver is not much better, thus there is not much during the day. The variocoupler clearly improves selectivity if necessary, the variable capacitors both have a built-in vernier with 8:1 for the detector tune and 6:1 for the antenna tune, respectively. Although this radio is not the real outperformer, it allows DX and offers usually a good sound. A good ?comeback? for sure ...
Der Empfänger ist der erste Neubau seit mehr als 20 Jahren ? zum Zeitpunkt der letzten Versuche dieser Art war ich noch ziemlich jung. Zugegebenermaßen gingen dem Gerät etliche Versuchsaufbauten in Form mehr oder minder fliegender Aufbauten voraus, daß war unvermeidlich.
Anstelle der altbekannten Diode arbeitet in dem Gerät ein MOSFET. Dieses Bauteil mit einer Einsatzspannung von Null Volt (ein ziemlich faszinierendes Bauelement) übernimmt die Gleichrichtung und arbeitet quasi als Synchrongleichrichter. Der Detektor-Schwingkreis wird durch das Gate vergleichsweise gering belastet (im Prinzip wirkt hier nur die Engangskapazität der beiden parallel geschalteten MOSFETs im Gehäuse von 5pF), was der Güte und damit der Trennschärfe zugute kommen sollte. Natürlich wird der Schwingkreis trotzdem belastet, schließlich gibt es da noch die Koppelwicklung. Über diese wird das gleichzurichtende Signal entnommen, nach dem MOSFET geht die NF auf einen Bogen T-725 Audiotransformator zur Impedanzanpassung. Dieser weist mit knapp 50 Kiloohm eigentlich noch keine wirklich hohe Eingangsimpedanz auf. Allerdings wird der Schwingkreis nicht direkt sondern über die Koppelwicklung belastet, so das die tatsächlich am Schwingkreis wirkende Belastung entsprechend dem Wicklungsverhältnis transformiert wird. Im Gegensatz zu Dioden kommt es zunächst kaum zu Verzerrungen, da der MOS-Kanal ein über das Gate gesteuerter Widerstand ist. Bei starken Signalen ist damit aber recht bald Schluß und der Kanal voll aufgesteuert. In dem Fall sind die Verzerrungen eher größer, und es ist günstig wenn es eine Möglichkeit gibt, die am MOSFET ankommende Signalstärke zu verringern. Hier ist diese Möglichkeit durch den Variokoppler gegeben, auch wenn dies nicht seine Hauptaufgabe ist.
Ein Nachteil von MOSFET ist, daß man das Gateoxid relativ leicht schädigen kann und der Transistor dann nicht mehr funktioniert. Daher erscheint es mir als günstig, das Gate in keinem Fall direkt mit einer Antenne zu verbinden. Nicht zuletzt aus Gründen der besseren Empfangseigenschaften hatte ich aber sowieso einen Zweikreiser geplant. Ursprünglich war dies noch ein einfacher Serienkreis. Nachdem ich aber noch einen geeigneten Doppeldrehko aufgetrieben hatte, ist der Antennenkreis zum Parallel-/Serienkreis mutiert.
Der Detektorkreis ist auf ein PP-Rohr mit 75mm Durchmesser gewickelt, verwendet wurde HF-Litze 150 x 0.04mm. Hier hatte ich vorher zwei Litzen parallel gewickelt, um eine bessere Spulengüte zu erreichen. Allerdings rückte dadurch die Koppelspule zu nahe heran und egalisierte die Vorteile wieder. Die Koppelspule selbst ist auf ein PP-Rohr mit 40mm Durchmesser gewickelt. Damit die erforderliche Induktivität erreicht werden konnte, habe ich hier eine sehr dünne HF-Litze 80 x 0.02mm verwendet. Der Variokoppler entstand dann mit Hilfe einiger Plasteschrauben und Abstandsstücken. Alle Bauteile wurden auf einer PP-Platte montiert, wobei der Ausgangsübertrager aus Platzgründen auf Ständern befestigt wurde ? die zur Verfügung stehende Holzkiste erzwang aufgrund ihrer Größe diese Maßnahme.
Insgesamt ist die Empfangsleistung doch ganz zufriedenstellend, teilweise sind einige Stationen in den Abendstunden fast schon zu laut. Trotz der eher bescheidenen Antenne in Form des Balkongeländers sind Stationen aus über 1000km Entfernung klar empfangbar wie beispielsweise Radio Tunis, BBC World oder ERA Sport aus Griechenland, zumindest im Zusammenspiel mit effizienten Kopfhörern. Ich benutze hier entweder steinalte Baldwin Type C oder mittlerweile ein paar deutlich komfortabler Dynalec mit USIC Elementen. Beide Kopfhörer basieren auf "Balanced Armatures" und weisen eine deutlich höhere Empfindlichkeit auf als meine magnetdynamischen Kopfhörer. Tagsüber ist zumindest Radio Slovenia zu empfangen, mit 76km Entfernung zwar auch nicht gerade der Ortssender aber offenbar stark genug um auch tagsüber anzukommen. Auch der Weltempfänger bringt am Tage nicht wirklich mehr hinein. Sehr wirksam ist der Variokoppler, um eng beieinander liegende Stationen doch noch zu separieren. Die Drehkos haben beide eine eingebaute Untersetzung, beim Detektorkreis sind es vier Umdrehungen und beim Antennen-Doppeldrehko knapp drei Umdrehungen. Insgesamt ein interessanter und vielversprechender Neuanfang...





