The Steam Punk Blaster
A fully portable MW/LW Regen Set
By G0CWA June 2012

Hi welcome to my latest design a valve version of a Ghetto Blaster, This set is fully portable being run off batteries, although in saying that it can be run off a fixed supply giving both 1.4 and 45V ht.
The set is designed for minimum power requirements and uses the miniature Mullard D*** series of 1.5 volt valves. Alternatives can be used e.g. the 3S4 instead of the DL92 output one.
However even if it is a valve set like all “Ghetto blaster type sets” it can be carried easily on your shoulder but a required health and safety review says I have to inform you of the risk of burning your ear on the valves!!!!
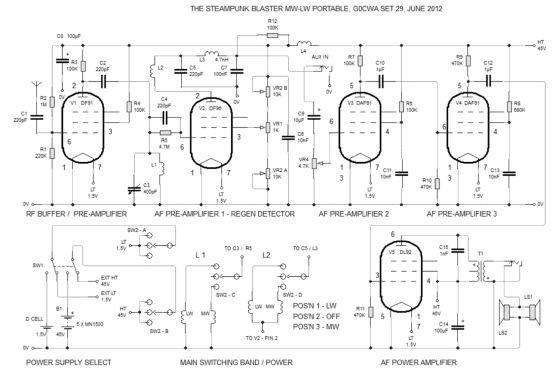
The set can be split into sections listed with brief descriptions below:
RF circuit
These stages get their HT supply via L4 an RF choke coil consisting of around 20 turns on a ferrite ring to reduce any RF feedback to the power rails
The input buffer amplifier. This is a standard RF pentode based unity gain amplifier using a DF91 RF pentode. It is included for two main reasons these being isolation of the input and providing constant impedance to the tank circuit. Both of these help to maintain both the Q and loading of the tuned circuit with the added advantages of helping to prevent re-radiation from the detector and preserve tuning calibration with different antenna systems, including the telescopic antenna.
The tuning Tank circuit. This is a “standard” parallel tuned circuit whose tuning range will depend on the capacitor used and inductance value used.
Instead of winding my own coils this time I used standard commercially available ferrite rod antennas one for MW and another for LW. I bought two identical ferrite rod aerials off E-bay and put both MW coils one rod and both the LW coils on the other.
In both cases one coil provides the tuning tank the other the regen feedback coil.
The advantage of this set up is that the tank inductance can easily be varied by moving its position on the rod enabling setting up the tuning range and the regen coils coupling can be optimised by sliding that coil closer to or further away from the tank coil.
The detector / first AF stage
Again I have used a standard “building” block circuit with one major difference the regen control arrangement where VR2, a dual gang linear pot controls the voltage range that VR1 controls over.
The voltage “window” is 45/11 or 4.1V wide and by RV2 is tuneable from 0-4.1V up to 40.9 to 45V, effectively giving coarse and fine regen controls. This little extra makes setting the regen levels far easier to set.
Audio Stages
The various stages are standard “building blocks” nothing out of the ordinary with one exception the two 8ohm speakers in parallel to give a nominal 4ohm impedance which was a closer match to the transformers required 3 ohm output value.
Final thoughts
It would easy to modify this set for use on any bands you choose by using different coil combinations and by a different multi-pole switch or plug in coils.
The telescopic antenna works reasonably well on strong stations and is an optional extra.
I hope you enjoyed this my latest project and find it interesting enough to build one of your own good (and successful) building. For your amusement just to show one of my designs in progress I have included a photo of the “rats nest” prototype on my work bench, complete with, if you know me, the essential extra my cigarettes, the ash tray being optional as the floor is not full !!!
73, Nick - G0CWA







