AN HF To VHF Receive Converter
By G0CWA Dec. 2012

After suffering a relapse in my health I decided I needed a bit of “retail therapy” to improve my mood. For some reason I have always liked the Yaesu FRG-9600, I must be mad!
The set although reasonable as is, lacked coverage below 60MHz and I therefore applied some ideas from my earlier designs to make a receive converter which I could use with it. (Note this will work with any of the current generation of VHF / UHF receivers and RTL SDR based receivers)
See the attached PDF for a full write up The pictures show the front and rear panel arrangements
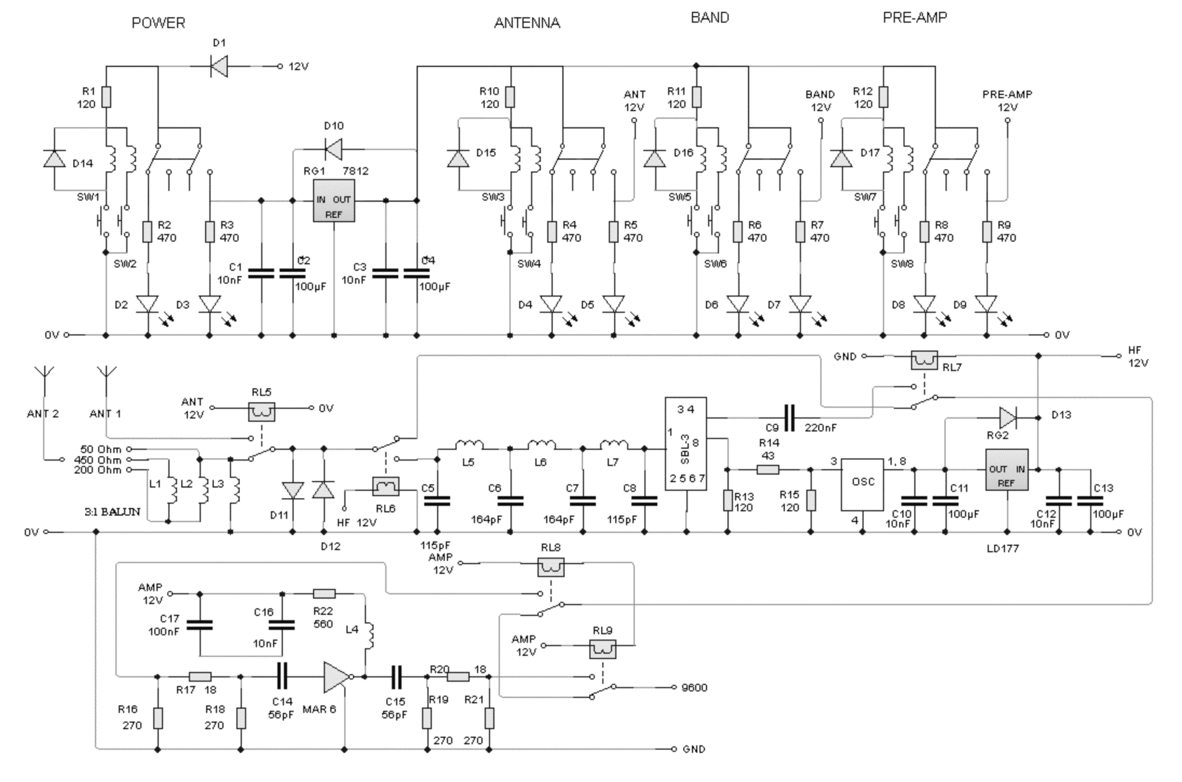
The converter is designed to convert 25KHz to 60MHz input to a 100.025MHz to 160MHz output using an SBL-3+ double balanced mixer and 100MHz crystal oscillator module.
Finally I apologise if this write up is not to my usual standard but I have had a major relapse in my health but I can still be contacted with any problems via either the Radio board or QRZ forums or by E-mail at n.strong@hotmail.co.uk
Enjoy the project anyway and 73 de Nick G0CWA
Receiver Converter Schematic, Large View
Yaesu FRG-9600 Receive Converter PDF Download (2mb)




