
The Eico-Flex Signal Generator To
Regen Conversion

Building a regen set from scratch can be quite an undertaking for some. Gathering the rf parts in itself can be expensive and cause big wrist problems from all that clicking on eBay auctions. Then getting the coils right can take hours and after that you have to try to calibrate the dial. Then usually you end up with a 0-100 scale. If you like building circuits but are ending up pounding your head against the wall, maybe a project like this is for you.
An old time signal generator can make a nice tube regen radio. The oscillator
section can be made into a regenerative detector with very little effort. Other advantages
of a conversion over a new build is that most of the parts are mounted, the power
supply is built and the chassis work is done. For this project, no drilling
was required, except for the speaker I mounted inside the box (right hand side).
I did the my conversion on an Eico 315 signal generator that was in very good
condition. Many other signal generators will convert. I liked this one because it looked easy
to work on. The dial scale is large. The tuning is very smooth and geared down. The
circuit had enough stages so that I could build a good radio.
To convert a signal generator to a regen radio first need a plan. Go to the BAMA site and find the manual for the generator you are considering converting. If you already have the generator, make sure it is working before you tear into it. Check the dial for backlash and how easy it is to tune. Take a look and see if you can get at everything you need to. Try to avoid contact with the coils and tuning system that is in place. Check for enough holes in the front panel to mount the controls you need. Besides the main tuning, and band switch, you need a hole for the rf input, speaker, input attenuation, regen control. Fine tuning and volume controls are also good but not necessary. I left out the volume control in my conversion.
After you have your conversion plan, you need to take out what isn't needed
and then build the circuits around what you have.
The more tube sections, the better the radio you can build. The Eico 315 has
three triodes. My conversion is built around my successful
Regen-O-Flex radio, built in 2004.
After removing all the parts that aren't needed, it is time to make this thing work. The resistor in the oscillator grid was changed to a 1.5 meg ohm value. The plate circuit was reworked so the voltage is obtained from a 50k pot. This is the regeneration control. A 68 k resistor was placed at the top end of the pot and connected to the 150 stabilized supply.
The 6SL7 which was the original modulator and cathode follower output is now a reflex rf / af amplifier and a one tube audio amplifier. The audio amplifier has a small output transformer that couples the audio to the speaker. The supply voltage for this stage is about 180 volts. The audio output is very reasonable for a small triode stage.
The other tube section is first a grounded grid rf amplifier and a grid driven audio amplifier. This circuit worked very well in the Regen-O-Flex radio. RF energy from the detector won't be radiated by the antenna because of this stage. By the double use as an AF amplifier, the levels are boosted for the audio output stage.
All the parts for this conversion were from my junk box alone. I tried to use what was already with the generator. I added a small variable capacitor as a fine tuning control. I didn't want to change the outside appearance by much, so all existing holes were used and no new ones were added.
After you finish your conversion and are happy with everything, it is time to align the receiver. The air trimmers are mounted on the side. The alignment should be done by picking a calibration point near the top of each band. My radio doesn't work on the F-G bands. I'm not sure why but I am not worried about it. The alignment should be done with the bandspread fine tuning capacitor at the minimum value.
My first listen was a station on 40 cw working dx. I was happy to observe that there was very little drift with this radio. That is another advantage of using LC circuits already built.
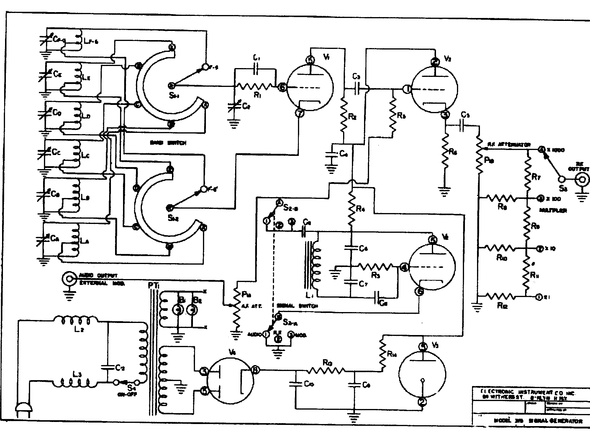
Check the schematics below and see how they compare with what you have. Please don't ask me for specific design information on other signal generators. I may do more of these but only if the generator generates above average interest. I do have an Eico 324 that I might convert. It has enough tube sections but the power supply isn't that great.
I spent less than 6 hours designing and converting this generator
to a cool radio. That was a lot less than if I had started from scratch.
So if you have one of these boxes laying around, consider putting it
to use as a little radio. This project should be attempted by someone that
can work with several hundred volt circuits without being careless. Nothing
ruins your day more than being knocked on your can because you forgot to
unplug before working on a project.
Happy building de N2DS!

This is before I started the conversion.

Chassis views after the conversion.
Original circuit. Click to enlarge.

Conversion Schematic for the Eico 315.
Update! The interest in this project has been higher than expected. One guy bought a 315, another is working on his conversion and Frank in Texas has finished his. He commented that the audio was not always high enough to overcome the qrm in his house. I knew the audio was a little wimpy on this radio. Then the light lit! Why not use diode rectifiers and free up an octal socket for an audio output tube? The filament load wouldn't be higher but there might be 25 more ma plate current. The transformer is pretty large, so it would handle the extra load. The temperature rise is moderate with the extra audio stage. So there is the plan.
First the tube socket has to be cleared. I used a multi point solder lug strip attached to the two screws that holds the power transformer. So far, no new holes! I moved the transformer plate winding wires to the terminal strip and added two 1N4007 silicon diodes. That took care of the plates and cathode of the 6X5. The 6000 ohm 10 watt resistor lead was moved to the filter capacitor lug. Very easy. The wire that was connected to the rectifier cathode went to the terminal strip too.
The wires from pin 4 had to be moved to the terminal strip too. But the
wires going to pin 6 (used as a tie point) could be left there because the
6K6 is missing that pin. Check your 6K6, just in case. The filament wires are left as they are.
Now that the tube socket is cleared, it is time to wire it. If you cut
a hole in the side and install a speaker in the cabinet, you can then use
that hole for the volume control. A piece of small coax on the volume control circuit will
reduce the hum pickup.
I added a 3.9k, 5 watt resistor and a 22 uf at 450 volt capacitor from
the 366 volt point (the junction of the two cathodes of the 1N4007 diodes).
I wanted a separate B+ point to supply power to the audio output tube. There
should be about 270 volts on the plate of the audio output tube.
If these instructions and diagram are hard to follow, just do the
first conversion. Later, you can continue with the update. There is very little
backtracking that had to be done to do the update.
At this point, this update is still being tweaked. It is working as shown in the
diagram, but come back once in a while and see if something is new. If you are
doing this conversion, please let me know.
So far someone in WA, TX and NY are also working on this.
Two people have mentioned to me that these signal generators are a
lot larger than they thought. The Eico 315 is 12x12-1/2x5 inches (30,5x31,75x12,7 cm)
and weighs 16 pounds (7,3 kg). Thought I would let you know.

This is the 2005 updated circuit for the Eicoflex. The circuit has been simplified. Please look below. If you already did your conversion this way, there is no reason to wire it as shown below. I am leaving this circuit up only for reference.

2008 Update! I received an e-mail today from a friend telling me that an Eico 315 was nearly his and wanted to do the conversion. (So far, I know of about a half dozen people that converted the Eico 315.) He asked me if there were any last minute updates. I told him that I hadn't touched the design since 2005. But I pulled up the page and took a look. I decided that since there was so much gain, removing the reflexing might be a good choice. It is really needed in the original design, but if you are adding the 6K6 option, this might be a better way to go. If you have already done the conversion above, this isn't really necessary, unless your gain is way too high.
The diagram is shown below. The differences are the direct connection of the detector output to the audio voltage driver. I also grounded the grid directly on the rf amplifier. I also removed the resistor going from the rf choke to the B+. To compensate for the higher grid bias that might be needed, I raised the cathode resistor to 2.2k. This is only a guess. If I actually do another 315, I will make any adjustments to the circuit that is needed.
I did get another 315, so I may do the conversion. If I got this wrong, it is not difficult to change it to the circuit shown above, but I think this will fly. Good luck!

2008 Conversion Schematic for the Eico 315.
Testimonial
Hi Dave,
Hope things are cool on your end. Wanted to let you know that I'm really enjoying the Eico 315 Regen conversion. I presently have it hooked up to a home brew audio amp. that uses a pair of 6V6's and on into a good 12" 3-way bass reflex speaker in a large cabinet. Enjoying the AM hi-fi.
I'm getting the 'got to build something' bug again and wondering if you have dreamed up any interesting projects
lately? Thanks again for all your help in the past. I have sure enjoyed doing some of your radios.
73s for now, Clyde, W7QHH, Reno, NV




