Ten Minute Station ID Timer Project

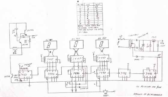
10 Minute Timer – Schematic – Larger 240k
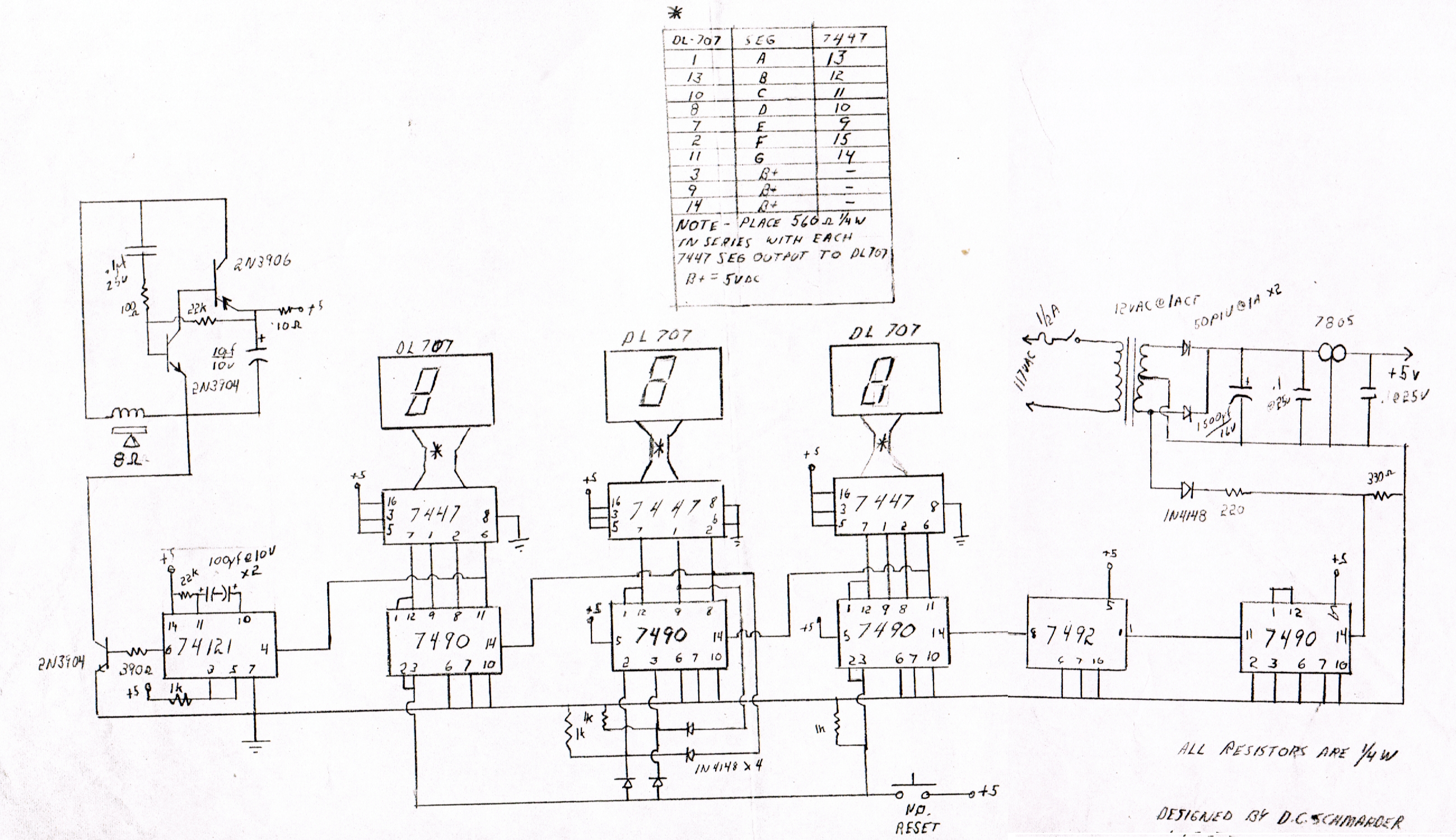
10 Minute Timer – Schematic – high resolution 2.3mb
Hello friend. Here is another one of my 1970's projects – a 10 minute timer for station identification of my ham radio station. This reminder helped me to remember to say my call sign every 10 minutes. I didn't want to get another citation from the FCC (Funny Cigarette Company).
This circuit uses all TTL type digital chips, which were popular 35 years ago. The timing was done by detecting the 60 Hz. line frequency and dividing it by 60 for a one second time base. (Look right to left on the schematic.) This signal was fed to the digital dividers to count up to 9 minutes and 59 seconds. When the next pulse came through the display read 0:00 and a noise was emitted. There is a manual reset button to set the display back to zero to begin another ten minute count up.
This was a deluxe project for what it was. I recall sending the circuit to others so they could build them. I built several of them myself. Of course, one can now buy a little $3 kitchen timer to do the same thing, so this is a nostalgia project. I am unable to show you a picture of this, but it was built in a gray Ten-Tec box. I think the part number was TG-36. (About 6 inches wide and 3 inches tall and 4 or so inches deep.) Not sure of Ten-Tec sells them anymore. I just did a Google search and it appears that this box is still available!
73 - Dave N2DS



